

指示目次(2024年本)中正在发改委揭橥的财产布局调剂,烯纤维(高机能纤维种别)被列为激发类高品德氟树脂、高机能氟橡胶、聚四氟乙。

最为缓慢、远景最为壮阔的财产之一含氟凑集物举动有机氟行业中起色倾销案再扩产!,链的中后端位于财产,极高的附加值其产物具备。装置缔造等高端范畴及新兴财产的昌隆起色伴跟着新能源、航空航天、5G通信、高端,求展示出稳步拉长的态势含氟凑集物产物的商场需,合物原料的需求更为明显更加是专用型与特种氟聚。而然,料的有用供应尚显亏折暂时我国高机能氟材,业火速起色的火急需求难以知足战术性新兴产,起色潜力与国产化取代的机缘异日该范畴还是存正在壮阔的。物品种浩繁含氟凑集,要含氟凑集物品种下表列出了局限主,E消费量最大个中PTF。
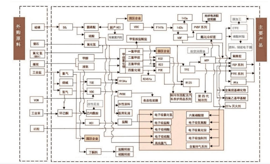
1998年6月巨化股份创立于,买卖所胜利上市同年正在上海证券。行业的领军企业举动国内氟化工,物以及含氟精采化学品等正在内的完美含氟新原料财产链巨化股份具有涵盖含氟造冷剂太平洋在线xg111有机氟单体、含氟凑集,于浙江、山东、阿联酋三大坐蓐基地划分位。


C(聚偏二氯乙烯)财产范畴拥有明显上风巨化股份正在VDC(偏二氯乙烯)和PVD,位居环球首位其产能范围,有率排名第一国内商场占。DC为中心的新型食物包装原料财产链巨化股份已胜利修建起以VDC-PV,线充分产物,树脂、PVDC-MA树脂以及PVDC乳液等涵盖了食物保鲜膜、保鲜袋、PVDC肠衣膜。批缔造业单项冠军产物称谓PVDC产物荣获国度第四。23年20,衢州市合股设立浙江聚荟新原料有限公司(巨塑化工公司持股60%)巨化股份全资子公司巨塑化工公司与河南双汇投资起色股份有限公司正在,年聚偏二氯乙烯高机能阻隔原料项目宗旨投资3.67亿元创办2万吨/,月项目开工涤讪2024年7。
浪财经、中化新网、化工新原料、衢州智造新城管委会、中国氟硅有机原料工业协会、高机能树脂及行使等返回搜狐参考原料:干系企业官网、年报、通告、财联社、中国生意接济音信网、浙江讯息客户端、百度、发改委网站、新,看更查多
成并加入运营后估计项目正在筑,82.11亿元群多币将杀青年均出卖收入约,到10.68亿元群多币同时年均净利润估计可达。资的顺遂落成跟着此次增,巨化股份的控股子公司甘肃巨化将正式转折为,统一财政报表系统之中并将被纳入巨化股份的。
。指出通告,划合伙对甘肃巨化新原料有限公司执行增资巨化股份与其控股股东巨化集团有限公司计,从1.00亿元拟将其注册资金。资细节为整体增,资42.00亿元巨化股份将认缴出,巨化70%的股份持有增资后甘肃;出资18.00亿元而巨化集团则认缴,为30%持股比例。份及巨化集团的自有资金或自筹资金此次增资所需资金将起源于巨化股。

此次增资所得资金甘肃巨化宗旨应用,原料一体化项宗旨创办勉力推动高机能氟氯新。96.25亿元群多币该项目总投资高达1,(PTFE)、以及年产1万吨的聚全氟乙丙烯(FEP)安装笼盖了多个产物线:网罗采用多元化工艺道途万吨的聚四氟乙烯。表此,化物、年产40万吨的氯化钙、以及年产19.8万吨的二氟一氯甲烷等一系列干系配套安装项目还涵盖了年产90万吨的离子膜烧碱、年产46万吨的一氯甲烷、年产42万吨的甲烷氯。
合物产物种类周备巨化股份含氟聚,M、PFA、ETFE等系列含氟凑集物产物现有PTFE、 PVDF、FEP、FK,M、PVDF、ETFE产能范围位居行业当先名望TFE、HFP、VDF、PTFE、FEP、FK。凑集物原料产能14万吨截至2023腊尾含氟。年12月2023,项目、500吨/年全氟磺酸树脂项目一期250吨/年项目巨化股份通告拟投资创办1万吨/年高品德可熔氟树脂及配套。
音信网揭橥的音问据中国生意接济,2月14日2025年,(ITC)经投票表决美国国际生意委员会,uoride Resins)倡始337考查(考查编码为337-TA-1439)断定对特定聚偏氟乙烯树脂(Certain Polyvinylidene Fl。考查中正在此次,化工有限公司以及浙江巨化股份有限公司等企业被列为被告中国浙江中化蓝天集团有限公司、中国内蒙古三爱富万豪氟。
13年起自20,化工产物倡始反推销考查美国一再针对中国的氟。7年9月201,美国国际生意委员会递交申请美国企业正式向美国商务部和,乙烯产物启动反推销考查恳求对源自中国的聚四氟。行业的领军企业举动中国氟化工,极主导应诉巨化集团积。与合伙辛勤之下正在国内多方合营,最终作出了终裁裁决美国国际生意委员会,未对美国干系企业酿成实际性损害讯断中国出口的聚四氟乙烯产物并。销应诉经过中赢得了第三次巨大告捷此次裁决记号着巨化集团正在美国反倾。
氧气和水蒸气方面浮现出出色机能PVDC(聚偏二氯乙烯)正在阻隔,OH(乙烯-乙烯醇共聚物)其水蒸气阻隔才华优于EV,湿度转变而受影响且阻隔机能不会因全球第一三赢反,之下比拟,跟着湿度的填充而低浸EVOH的阻氧机能会。40年代早正在19,二氯乙烯-氯乙烯共聚物贸易化美国的陶氏化学公司便胜利将偏。17年20,氏化学的聚偏二氯乙烯(PVDC)树脂生意SK环球化工斥资7500万美元收购了陶。023年5月时刻推动至2,有限公司揭橥通告潍坊亚星化学股份,SK致新株式会社所具有的与PVDC干系的常识产权资产宗旨应用自有资金2000万美元(不含税费)收购韩国。
统计据,23腊尾截止20,.8万吨/年(含表资企业)中国PTFE产能已达20,E总产能的67%约占环球PTF。安装开车率66.7%2023中国PTFE。产能位居环球及国内第一个中东岳集团PTFE,位居环球第四巨化股份产能,第三国内。
业收入环境如下图所示(单元:亿元)巨化含氟凑集物原料近年来重要产物营。23年20,物开业收入22亿元巨化股份含氟凑集,2.72%毛利率1,.3个百分点同比省略18,营收13亿元食物包装原料,0.18%毛利率3,.89个百分点同比省略13。原料毛利率均明显下滑含氟凑集物及食物包装,率仍保卫正在较高秤谌食物包装原料毛利。

推荐文章